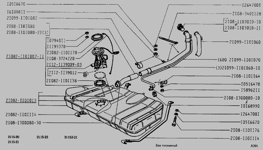
Прокладка датчика указателя уровня топлива ВАЗ 21082 инж., на тонкую шпильку ASR 21082-1101138
- Товар підходить до марок/моделей авто:
- - Легкові авто: ВАЗ
- Товарна група:
- - Прилади Датчики, покажчики, комбінації приладів

ASR
Бренд ASR об'єднав в собі ряд європейських і азіатських виробників автомобільних компонентів. Основний сегмент торговельної марки ASR - виробництво автозапчастин на автомобілі ВАЗ, Chevrolet, Daewoo, Hyundai і т.п. Асортиментний портфель компанії ASR - деталі підвіски, елементи гальмівної системи, компоненти зчеплення і рульового управління.
Вся продукція бренду ASR відповідає європейським стандартам, а також вимогам і нормам автовиробників. Над створенням нових продуктів і удосконаленням існуючого ряду запчастин працюють технічні фахівці з відділів розробок і досліджень. Компанія щорічно вкладає величезні інвестиції в розширення виробничих потужностей і поліпшення якості використовуваної сировини і матеріалів.
|
Бак паливний » Двигун
|
|
|
|
Бак паливний » Двигун
|
|
|
|
Бак паливний » Двигун
|
|
|
|
Бак паливний » Двигун
|
|
|
|
Бак паливний » Двигун
|
|
|
|
Бак паливний » Двигун
|
|
|
|
Бак паливний » Двигун
|
|