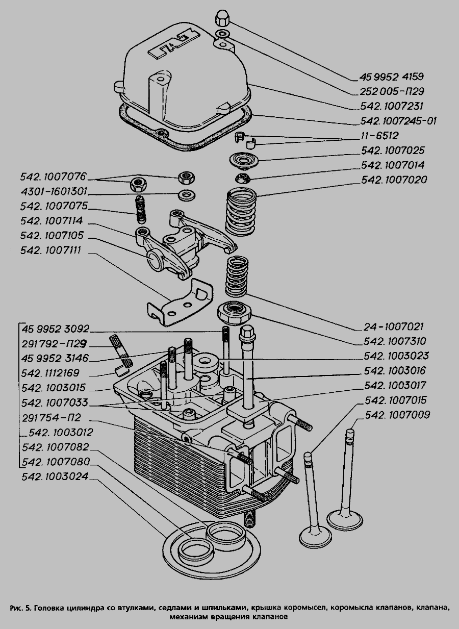
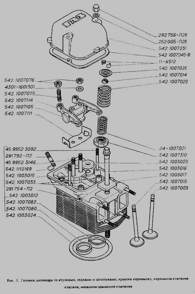
Шпилька колектора ГАЗ, УАЗ дв.406 впускного (М10х1, 0х28) Авто Союз 88 291792-П29
|
77 ₴
сьогодні
|
- Виробник
- Авто Союз 88
- Каталоговий номер
- 291792-П29
- Схеми
- дивитися →
Застосовність: УАЗ, 12. Система випуску газу
Застосування
- Товар підходить до марок/моделей авто:
- - Легкові авто: УАЗ
- Товарна група:
- - Система випуску газів Всі запчастини системи випуску
Застосування за схемами
Показати ще схеми ↓
Каталог запчастин для автомобілів, до яких застосовується ця деталь
