Р/к крана гальмівного головного КАМАЗ 2-х секційного (РТІ+пластмаса, 10 найменувань) DETALKA 100.3514009

459 
 сьогодні
Виробник
DETALKA
Каталоговий номер
100.3514009
Схеми
дивитися →
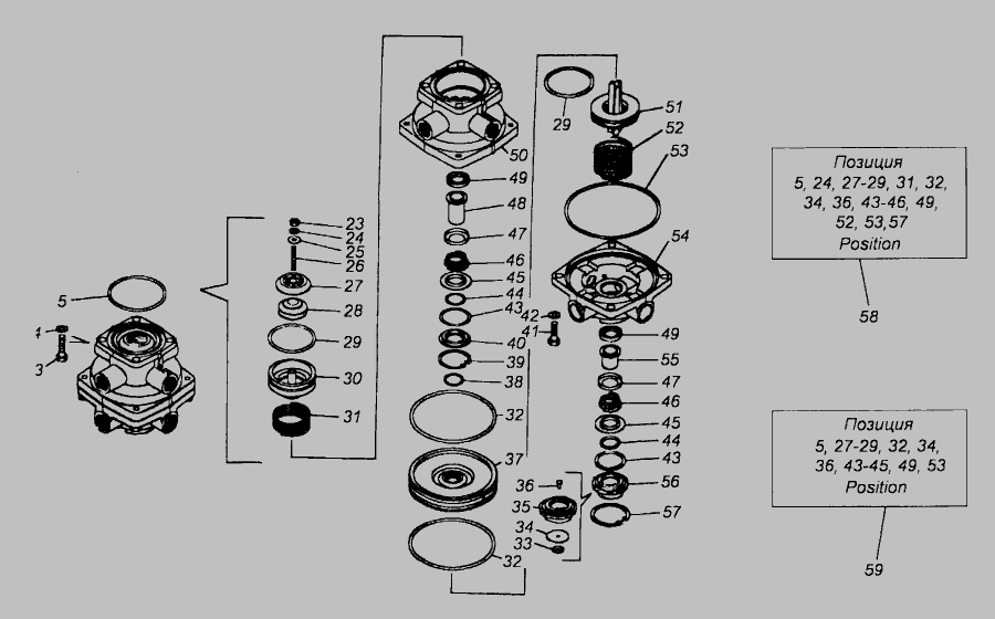
Склад комплекту: 1. Кільце клапана 100-3514013 - 2 шт. 2. Кільце клапана 100-3514023 - 2 шт. 3. Ущільнювальне кільце 100-3514028 - 3 шт. 4. Ущільнювальне кільце 100-3514033 - 2 шт. 5. Ущільнювальне кільце 100-3514035 - 2 шт. 6. Клапан обмеження тиску 100-3514046 - 1 шт. 7. О-подібне кільце 100-3514049 - 1 шт. 8. Елемент врівноважуючий 100-3514055 - 1 шт. 9. Пильовик 100-3514080-02 - 1 шт. 10. Ущільнювальне кільце 100-3536029 - 2 шт.
  • Доставка по Україні
    -  на відділення Нової Пошти або кур'єром до дверей
    - самовивіз у Дніпро
    докладніше →
  • Оплата при отриманні
    або іншим зручним способом, докладніше →
  • Гарантія
    обмін/повернення товару протягом 14 днів, докладніше →
Застосування
Товар підходить до марок/моделей авто:
- Вантажні авто: КамАЗ
Товарна група:
- Стандартні вироби та інструмент Ремонтні комплекти (ГТВ)
- Гальма Крани, клапани, регулятори, камери

Застосування за схемами
Кран гальмівний двосекційний » Управління рульове
  • ПАЗ-4234
Кран гальмівний двосекційний » Управління рульове
  • ПАЗ-4230
Шток пневмопідсилювача » Управління рульове
  • ПАЗ-3205
Установка гальмівного крана, клапана керування гальмами причепа, трубопроводи та шланги МАЗ-53371 » Управління рульове
  • МАЗ-5433
Система гальмівна МАЗ-54323 » Управління рульове
  • МАЗ-54328
Кран гальмівний двосекційний з важелем » Управління рульове
  • КрАЗ-250
Кран гальмівний двосекційний з педаллю » Управління рульове
  • КамАЗ-6540
Показати ще схеми ↓