Ролик КПП МТЗ <> ДК 3х23,8
|
6 ₴
сьогодні
|
- Виробник
- ДК
- Каталоговий номер
- 3х23,8
- Схеми
- дивитися →
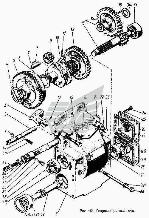
Комплект 134 штуки. Для сателіта механічного ходозменшувача МТЗ 102-1742022
Застосування
- Товар підходить до марок/моделей авто:
- - Трактори: МТЗ
Застосування за схемами
|
Гідроходозменшувач » Зчеплення
|
|
Каталог запчастин для автомобілів, до яких застосовується ця деталь
