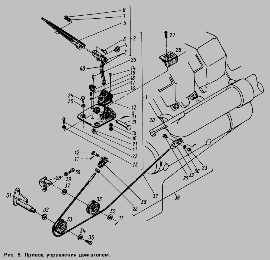
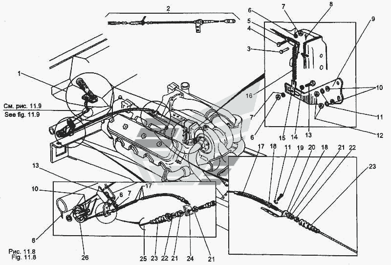
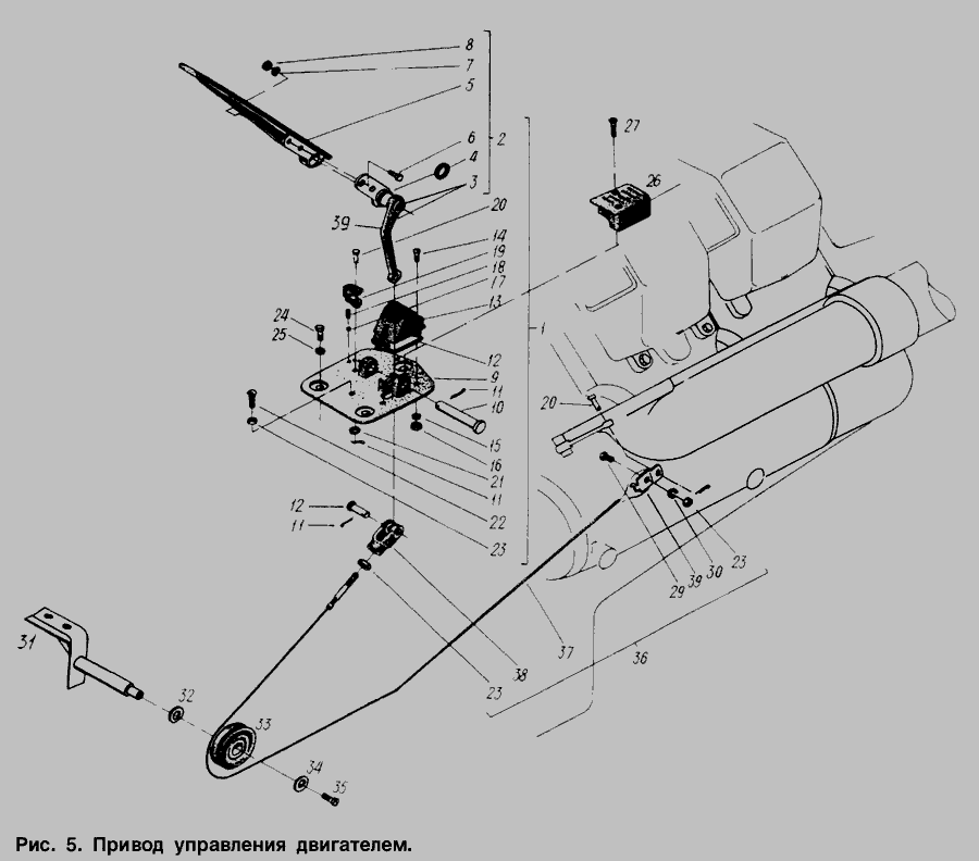
Педаль газу МАЗ із кронштейном <> ДК 64221-1108005-10
|
1 663 ₴
сьогодні
|
- Виробник
- ДК
- Каталоговий номер
- 64221-1108005-10
- Схеми
- дивитися →
Застосовність: МАЗ, 11.
Застосування
- Товар підходить до марок/моделей авто:
- - Вантажні авто: МАЗ
- Товарна група:
- - Система живлення Всі запчастини системи живлення
Застосування за схемами
Показати ще схеми ↓
Каталог запчастин для автомобілів, до яких застосовується ця деталь
