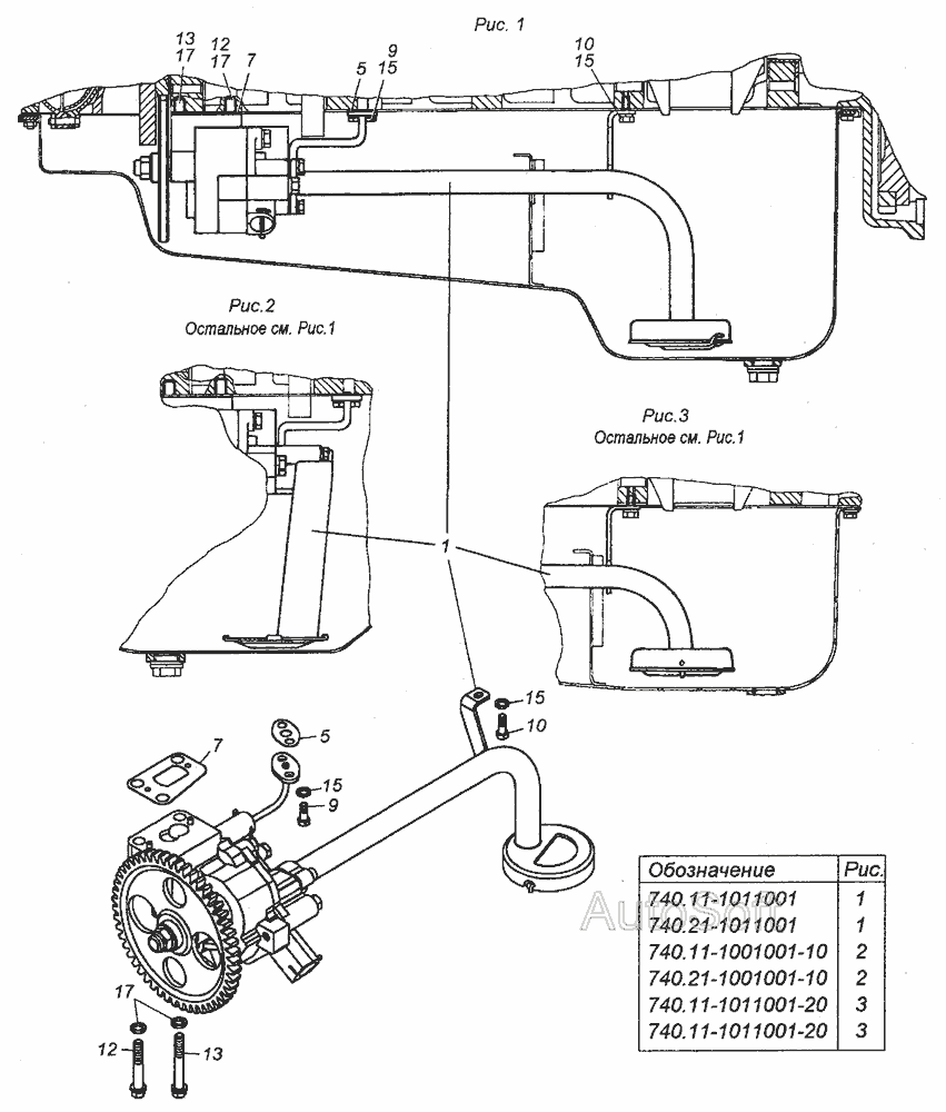
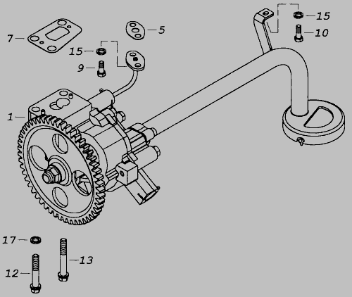
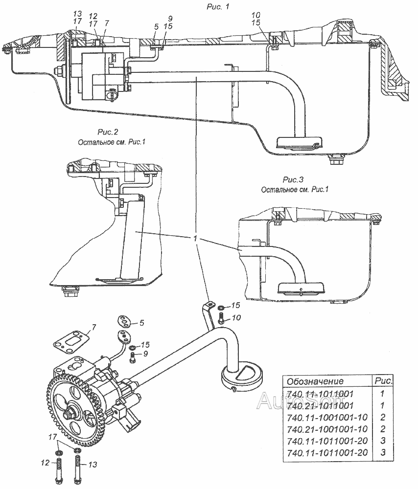
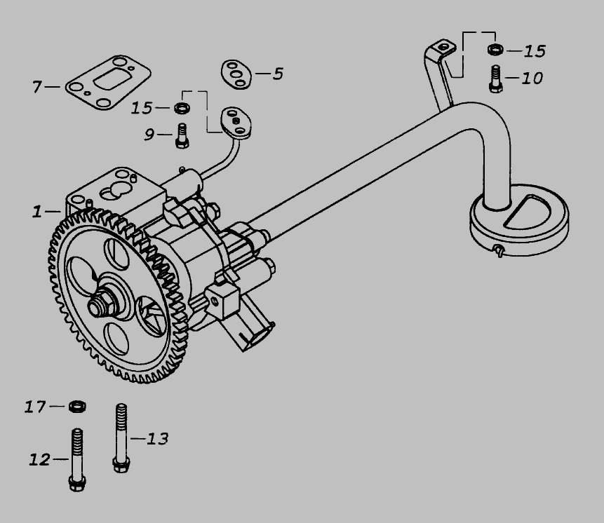
Прокладка масляного насоса КамАЗ-ЄВРО регулювальна <> ДК 740.1011200-10

139 
 сьогодні
Виробник
ДК
Каталоговий номер
740.1011200-10
Схеми
дивитися →
  • Доставка по Україні
    -  на відділення Нової Пошти або кур'єром до дверей
    - самовивіз у Дніпро
    докладніше →
  • Оплата при отриманні
    або іншим зручним способом, докладніше →
  • Гарантія
    обмін/повернення товару протягом 14 днів, докладніше →
Застосування
Товар підходить до марок/моделей авто:
- Вантажні авто: КамАЗ
Товарна група:
- Деталі двигуна Насос масляний, система мащення

Застосування за схемами
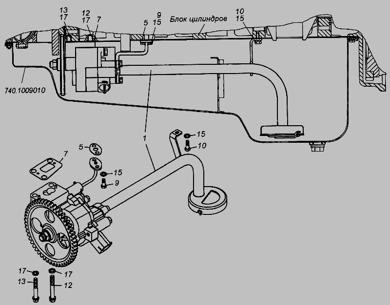
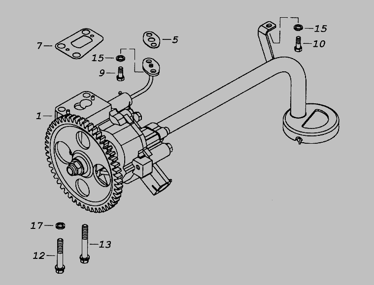
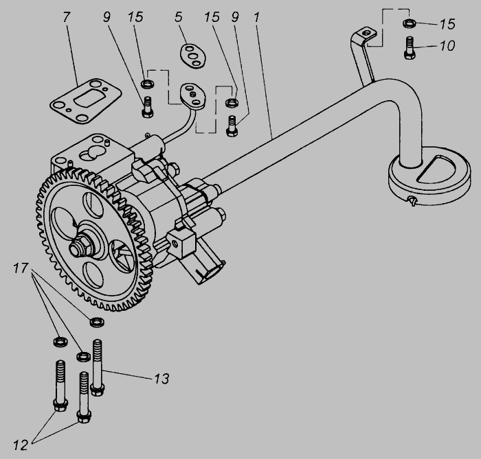
740.60-1011001 Установка масляного насосу » Двигун
  • 740.60-360 (Евро 3)
740.11-1011001 Установка масляного насосу » Двигун
  • 740.31-240 (Евро 2)
740.11-1011001 Установка масляного насосу » Двигун
  • 740.30-260 (Евро 2)
Встановлення масляного насосу » Двигун
  • 740.11-240 (Евро 1)
Насос масляний » Двигун
  • КамАЗ-5297
Встановлення масляного насосу » Двигун
  • КамАЗ-6540
Встановлення масляного насосу » Двигун
  • КамАЗ-6522
Показати ще схеми ↓