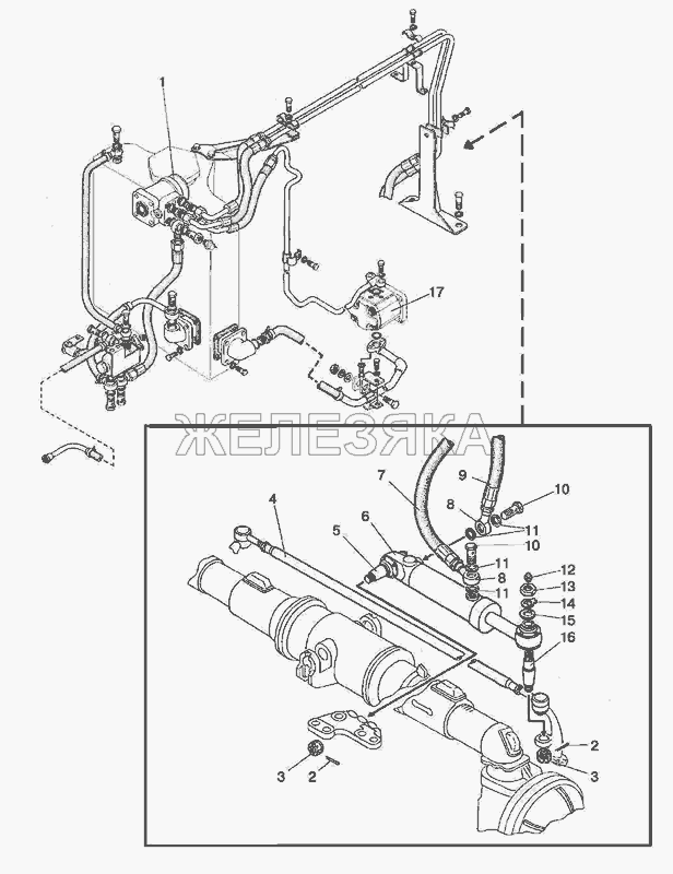
Гідроциліндр керма. упр. МТЗ 1005,1025 (63Х30-200) ПРЕМІУМ <> ДК Ц63-3405115-А-01
Товару немає в наявності.
- Виробник
- ДК
- Каталоговий номер
- Ц63-3405115-А-01
- Схеми
- дивитися →
1. Поршень, гідроциліндрів з більшим ходом (понад 700 мм), має проміжну втулку. Це, у свою чергу, створює додатковий момент опору вигину штока при його повному висуненні, а також збільшує поздовжню стійкість штока. 2. Встановлено ущільнення поршня CP2 двосторонньої дії, що складається з кільця ущільнювача з поліуретану. Це ущільнення більш зносостійке. 3. На з'єднанні "Кришка передня - Гільза" встановлюються якісні гумові кільця (не менше двох) наступних виробників: "DICHTOMATIK", "KASTAS", "DPH", 4. Манжета штока MPU/L, завдяки спеціальній двокомпонентній конструкції та додатковій кромці ущільнювача працює, як при малих тисках, так і при високих. Здатна витримувати гідроудар. 5. Вуш шток, перед зварюванням, накручується на різьбову частину. Це створює додатковий запас міцності на розрив. Під час виготовлення гільзи гідроциліндрів використовується прецизійна труба імпортних виробників (Італія, Румунія, Індія). Всі гідроциліндри, що випускаються, мають клас герметичності А, за ГОСТ 16514-87. При цьому гідроциліндри проходять випробування на стенді, оснащеному фільтрами з номінальною тонкістю фільтрації не грубіше 16 мкм. Застосовність: Трактори, 89.Гідроапаратура
Застосування
- Товар підходить до марок/моделей авто:
- - Трактори: МТЗ
- Товарна група:
- - Гідравліка Гідроциліндри
- - Додаткове обладнання (Навіска, ВВП, КВП) Гідроапаратура
Застосування за схемами
|
Гідроциліндр Ц63 » Рульове управління
|
|
|
|
Управління рульове 920-3400010 (з ПВМ 72-2300020-А) » Рульове управління
|
|
Каталог запчастин для автомобілів, до яких застосовується ця деталь
