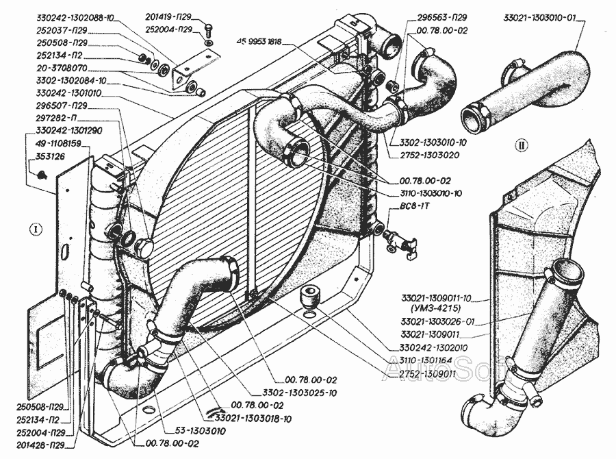
Кронштейн радіатора 3302,2217 верхн. нов.обр. ГАЗ 330242-1302088-10
|
330 ₴
склад
|
- Виробник
- ГАЗ
- Каталоговий номер
- 330242-1302088-10
- Схеми
- дивитися →
Застосовність: Газель, 12. Система випуску газу
Застосування
- Товар підходить до марок/моделей авто:
- - Вантажні авто: Газель
- Товарна група:
- - Система охолодження Радіатор, патрубки
- - Система випуску газів Всі запчастини системи випуску
Застосування за схемами
Каталог запчастин для автомобілів, до яких застосовується ця деталь
