Ремінь ГРМ (GM) GM (CHEVROLET/DAEWOO/OPEL) 96352965
|
2 298 ₴
сьогодні
|
- Виробник
- GM (CHEVROLET/DAEWOO/OPEL)
- Каталоговий номер
- 96352965
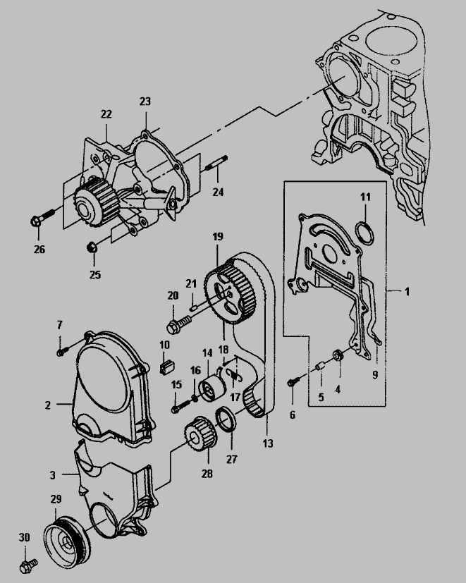
- Схеми
- дивитися →
Застосування
- Товарна група:
- - Стандартні вироби та інструмент Ремені
Застосування за схемами
|
Кожух зубчастого ременя » Двигун
|
|
|
|
Кожух зубчастого ременя » Двигун
|
|
