Гайка М18х1,5х9 тяги кермової права ВАЗ-2108 ХарОптТорг 2108-3414112
Товару немає в наявності.
- Виробник
-
ХарОптТорг
(Україна)
- Каталоговий номер
- 2108-3414112
- Схеми
- дивитися →
Застосування
- Товар підходить до марок/моделей авто:
- - Легкові авто: ВАЗ
- Товарна група:
- - Рульове керування Тяги, наконечники
Застосування за схемами
|
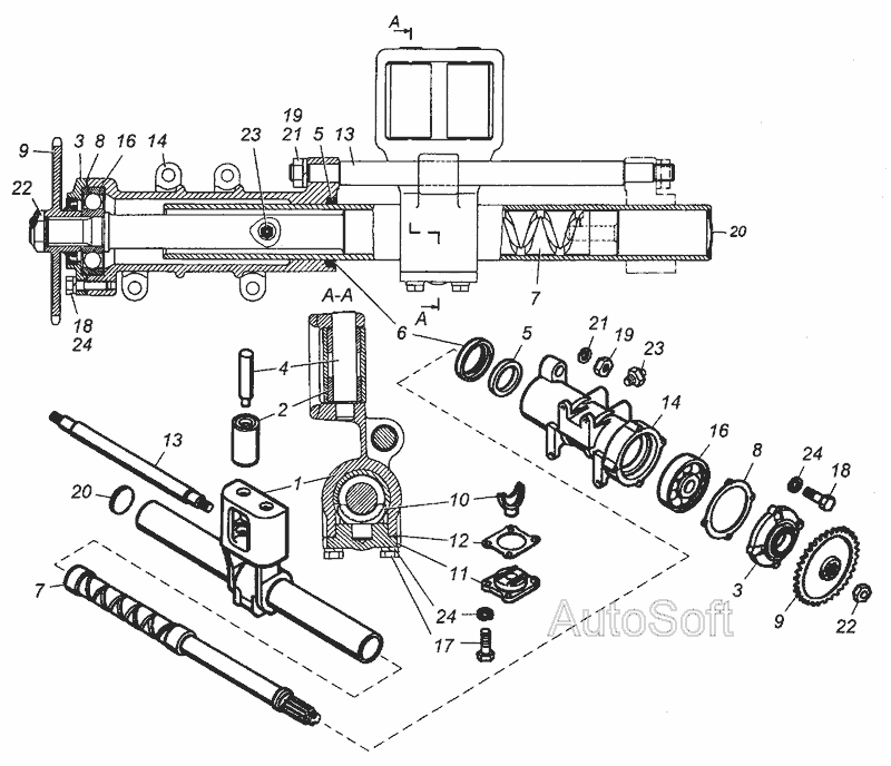
Привід кермовий » Управління рульове
|
|
|
|
Привід кермовий » Управління рульове
|
|
|
|
Привід кермовий » Управління рульове
|
|
|
|
Привід кермовий » Управління рульове
|
|
|
|
Привід кермовий » Управління рульове
|
|
|
|
Привід кермовий » Управління рульове
|
|
|
|
4310-4511010 Тросоукладальник лебідки в зборі » Пристрій сідельний
|
|
Показати ще схеми ↓
Каталог запчастин для автомобілів, до яких застосовується ця деталь