Провід високої напруги Ланос 1,6/16кл. (Prime) HL428 (4шт) (Комплект) Hola 96211948
|
535 ₴
склад
|
- Виробник
-
Hola
(Нідерланди)
- Каталоговий номер
- 96211948
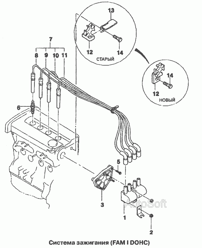
- Схеми
- дивитися →
- Товар підходить до марок/моделей авто:
- - Легкові авто: DAEWOO

О HOLA®
HOLA® – торговая марка высококачественных запасных частей для легковых и грузовых автомобилей родом из Нидерландов.
Вся продукция HOLA® производится с использованием передовых технологий более чем на 25 заводах, расположенных по всему миру, сертифицированных в соответствии со стандартом качества IATF 16949:2016.
Строгий контроль используемого сырья и материалов на всех этапах производственных процессов в совокупности с эксклюзивной системой контроля качества готовой продукции, позволили запасным частям HOLA® завоевать доверие потребителей многих стран мира своей надёжностью, безопасностью и высоким качеством.
Для сотрудников компании, внимание к деталям, постоянное совершенствование технологий, являются критерием успешного развития бренда.
Ассортимент HOLA® представлен запасными частями для европейских, азиатских, американских и российских автомобилей. Продукция HOLA® имеет гарантию до 2 лет.
HOLA® – ВСЕГДА НА ХОДУ!
- Артикул:
- HL427
- Hola
-
Нідерланди
- Артикул:
- HL428
- Hola
-
Нідерланди
|
Система запалювання (FAM I DOHC) » Електроустаткування з двигуном FAM I
|
|