870638 КамАЗ Шайба

Виробник
КамАЗ
Каталоговий номер
Шайба
Схеми
дивитися →

Застосування за схемами
Силовий агрегат МеМЗ-301 та його кріплення » Двигун
  • ZAZ Sens
Реле регулятор » Електроустаткування
  • ИЖ 412
Реле регулятор » Електроустаткування
  • Москвич 412
Привід розподільних валів » Двигун
  • ВАЗ-2110, 2111, 2112
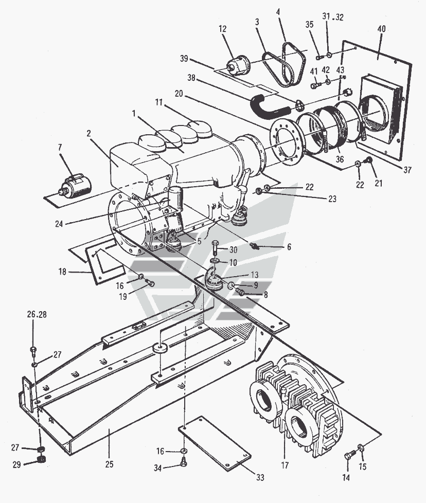
Установка турбокомпресора » Двигун
  • Д-245.30Е3 (для МАЗ)
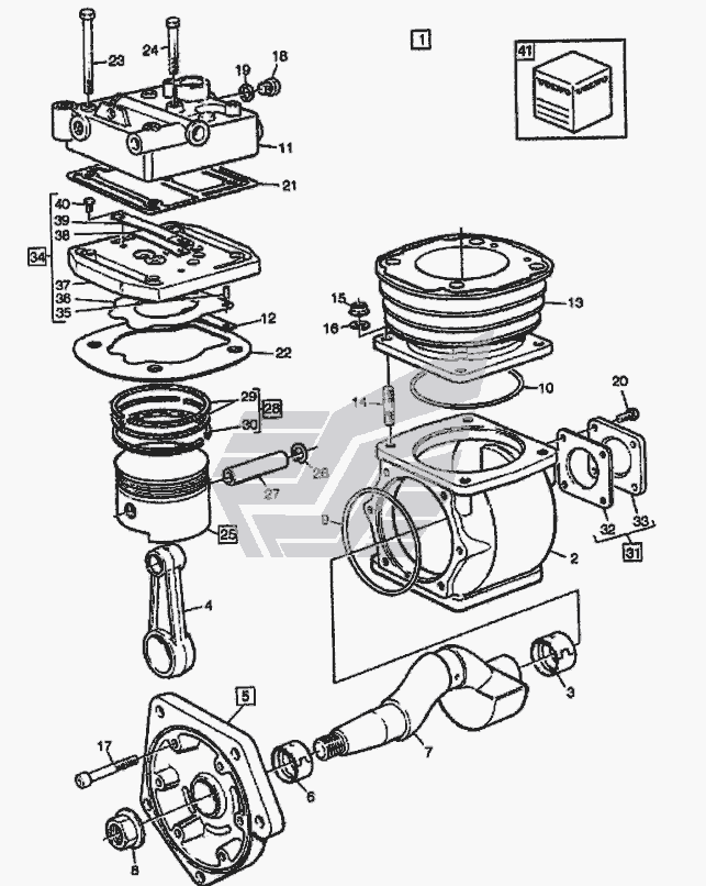
Компресор » Рульове управління
  • 740.11-240, 740.31-240
Вал перемикання передач » Двигун
  • Двигатель 2V68FMQ
Показати ще схеми ↓