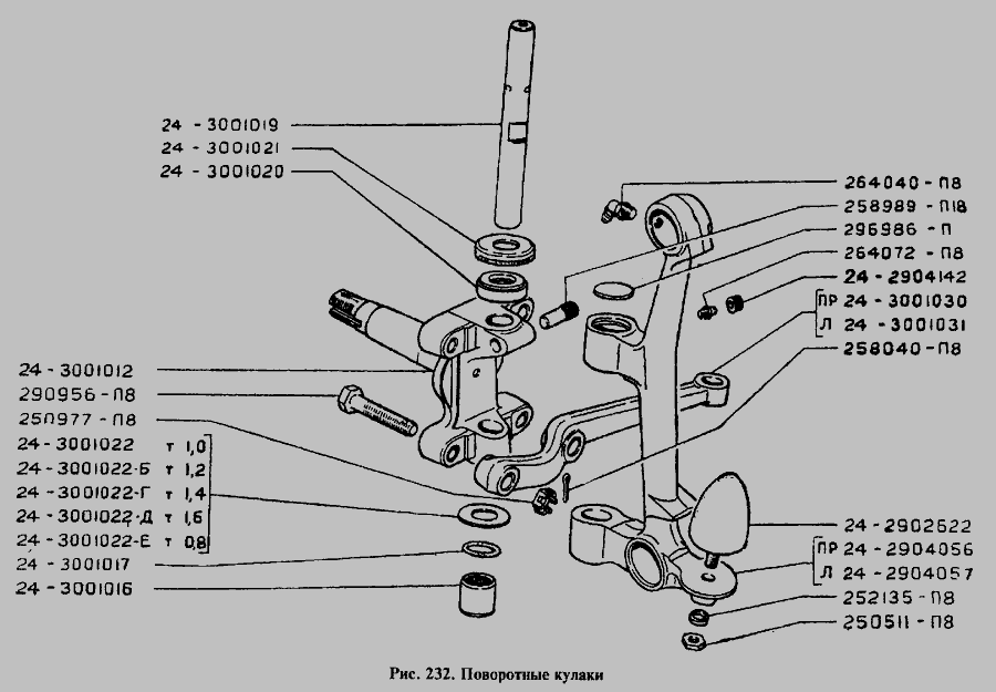
Заглушка шкворня Волга Красная этна 296986-П

7 
 сьогодні
Виробник
Красная этна
Каталоговий номер
296986-П
Схеми
дивитися →
  • Доставка по Україні
    -  на відділення Нової Пошти або кур'єром до дверей
    - самовивіз у Дніпро
    докладніше →
  • Оплата при отриманні
    або іншим зручним способом, докладніше →
  • Гарантія
    обмін/повернення товару протягом 14 днів, докладніше →
Застосування
Товар підходить до марок/моделей авто:
- Легкові авто: Волга
Товарна група:
- Вісь передня Шкворня, кулаки, важелі

Застосування за схемами
Вісь передня та кулаки поворотні » Рама, бампери та бризковики двигуна
  • РАФ 2203
Стійка передньої підвіски, різьбові втулки, шворень з підшипниками, кронштейн з цапфою, поворотний кулак » Рама, бампери та бризковики двигуна
  • ГАЗ-3110
Стійки передньої підвіски та поворотні кулаки (для автомобілів з барабанними гальмами) » Рама, бампери та бризковики двигуна
  • ГАЗ-31029
Стійки та важелі передньої підвіски, поворотні кулаки » Рама, бампери та бризковики двигуна
  • ГАЗ-3102
Стійки передньої підвіски та поворотні кулаки » Рама, бампери та бризковики двигуна
  • ГАЗ-24-10
Поворотні кулаки » Рама, бампери та бризковики двигуна
  • ГАЗ-24
Амортизатори передньої підвіски » Рама, бампери та бризковики двигуна
  • ГАЗ-69
Показати ще схеми ↓