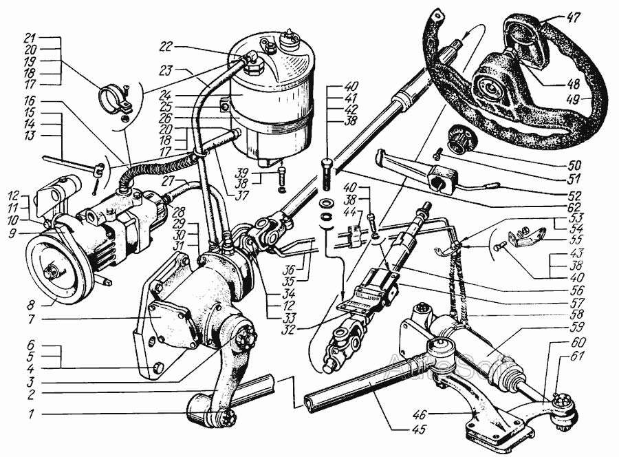
Циліндр силовий (-260, 6443) КрАЗ 6437-3405005

17 276 
 завтра
Виробник
КрАЗ
Каталоговий номер
6437-3405005
Схеми
дивитися →
  • Доставка по Україні
    -  на відділення Нової Пошти або кур'єром до дверей
    - самовивіз у Дніпро
    докладніше →
  • Оплата при отриманні
    або іншим зручним способом, докладніше →
  • Гарантія
    обмін/повернення товару протягом 14 днів, докладніше →
Застосування
Товар підходить до марок/моделей авто:
- Вантажні авто: КрАЗ

Застосування за схемами
Управління рульове » Управління рульове
  • КрАЗ-6322 (шасси)