Гайка М6-6Н.6.16 МАЗ 250508-П29
Товару немає в наявності.
- Виробник
- МАЗ
- Каталоговий номер
- 250508-П29
- Схеми
- дивитися →
Застосування
- Товар підходить до марок/моделей авто:
- - Вантажні авто: МАЗ
Застосування за схемами
|
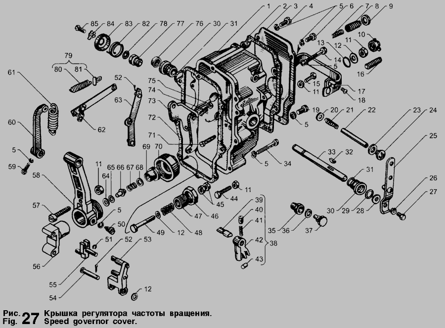
Склоочисник та привід » Підлога кузова
|
|
|
|
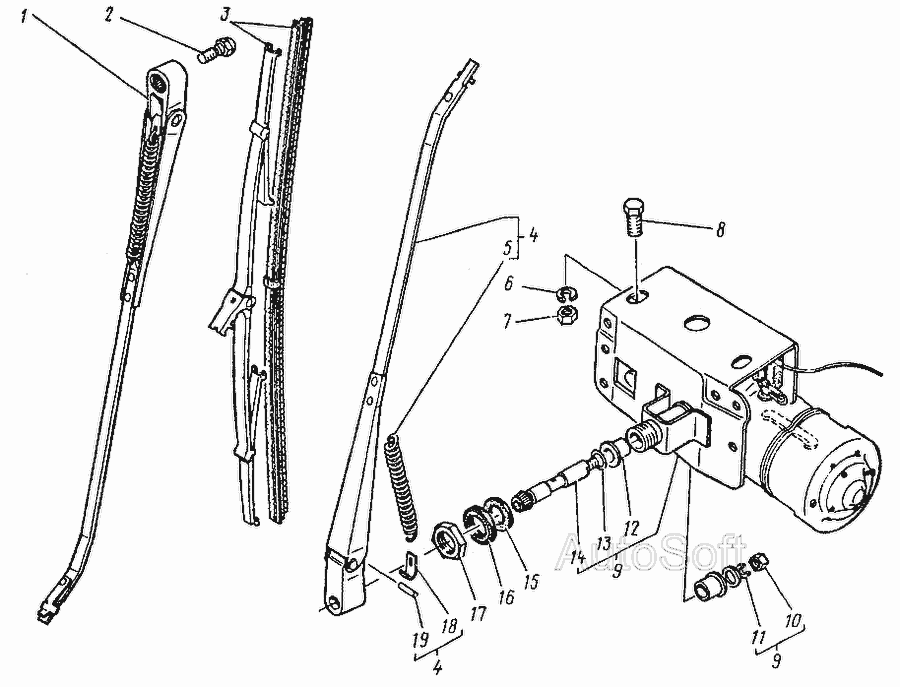
Склоочисник та його привід » Кузов
|
|
|
|
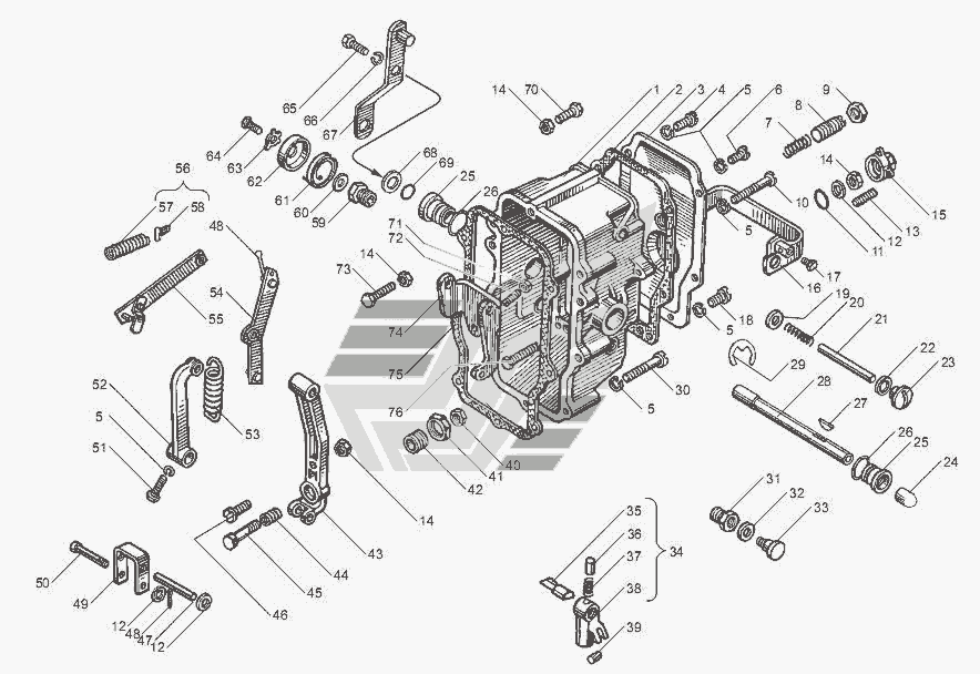
Склоочисник та його привід » Кузов
|
|
|
|
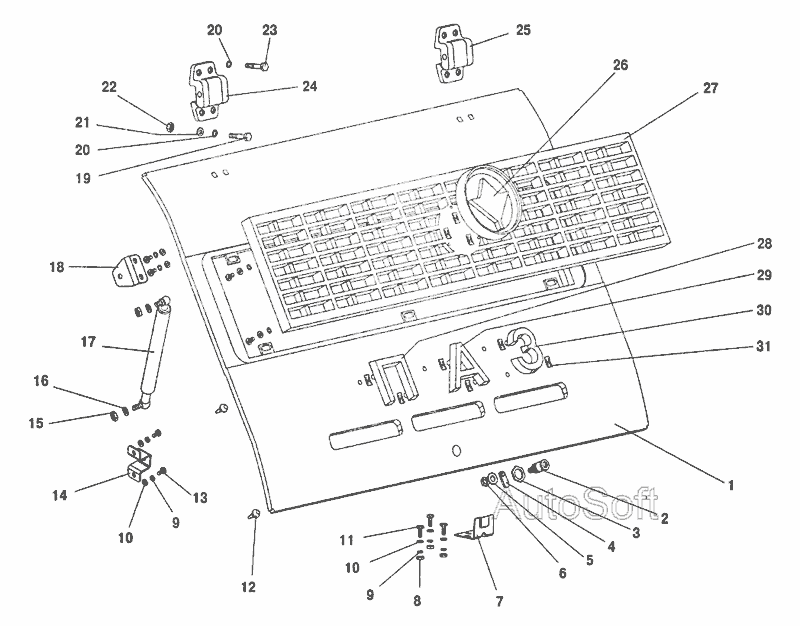
Система харчування » Двигун
|
|
|
|
Бензиновий двигун. Дворядна кабіна » Система харчування
|
|
|
|
2217-1300001-20. Встановлення системи охолодження » Двигун
|
|
|
|
2217-1300001-10. Встановлення системи охолодження » Двигун
|
|
Показати ще схеми ↓
Каталог запчастин для автомобілів, до яких застосовується ця деталь
