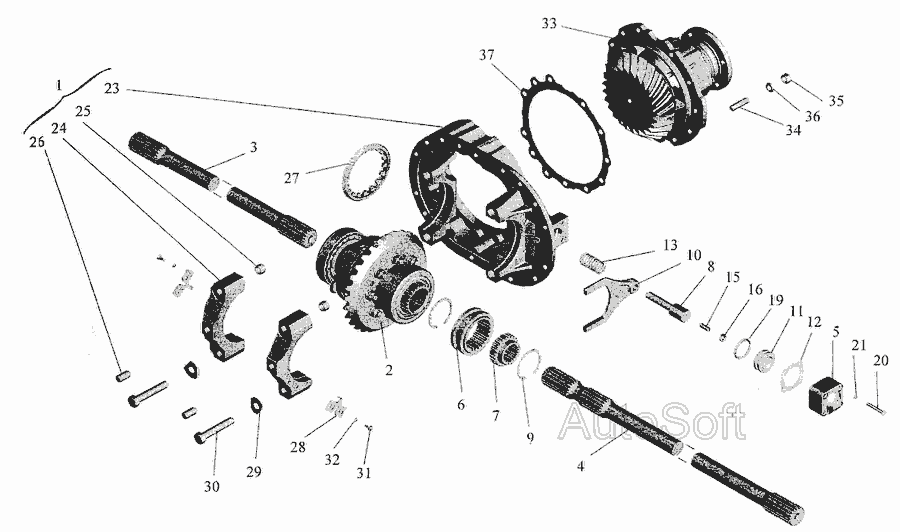
Напіввісь права (L=1068) (-5440,-6430) МАЗ 5440-2403070
|
9 199 ₴
завтра
|
- Виробник
- МАЗ
- Каталоговий номер
- 5440-2403070
- Схеми
- дивитися →
Застосування
- Товар підходить до марок/моделей авто:
- - Вантажні авто: МАЗ
Застосування за схемами
|
Картер мосту (до лютого 2010 року) 152-2401010-10 » Зчеплення
|
|
|
|
Картер заднього моста 152-2401010-10 » Зчеплення
|
|
|
|
Картер мосту » Зчеплення
|
|
|
|
Картер мосту 152-2401010-10 » Коробка передач
|
|
|
|
Редуктор заднього моста » Зчеплення
|
|
|
|
Міст задній » Зчеплення
|
|
|
|
Редуктор заднього моста 65019-2402010 » Зчеплення
|
|
Показати ще схеми ↓
Каталог запчастин для автомобілів, до яких застосовується ця деталь
