Кільце ГОСТ 18829-73 (ГОСТ 9833-73)(Україна) Рось-гума 022-028-36-2-2
|
4 ₴
сьогодні
|
- Виробник
- Рось-гума
- Каталоговий номер
- 022-028-36-2-2
- Схеми
- дивитися →
Застосовність: Трактори, 47.Гідронавісна система
Застосування
- Товарна група:
- - Гідравліка Гідронавісная система
Застосування за схемами
|
Гідроциліндр 4085-3429-10 » Управління рульове
|
|
|
|
Нормалі » Інструмент
|
|
|
|
розподільник. Секція переливна » Гідросистема
|
|
|
|
Рульове управління » Рульове управління
|
|
|
|
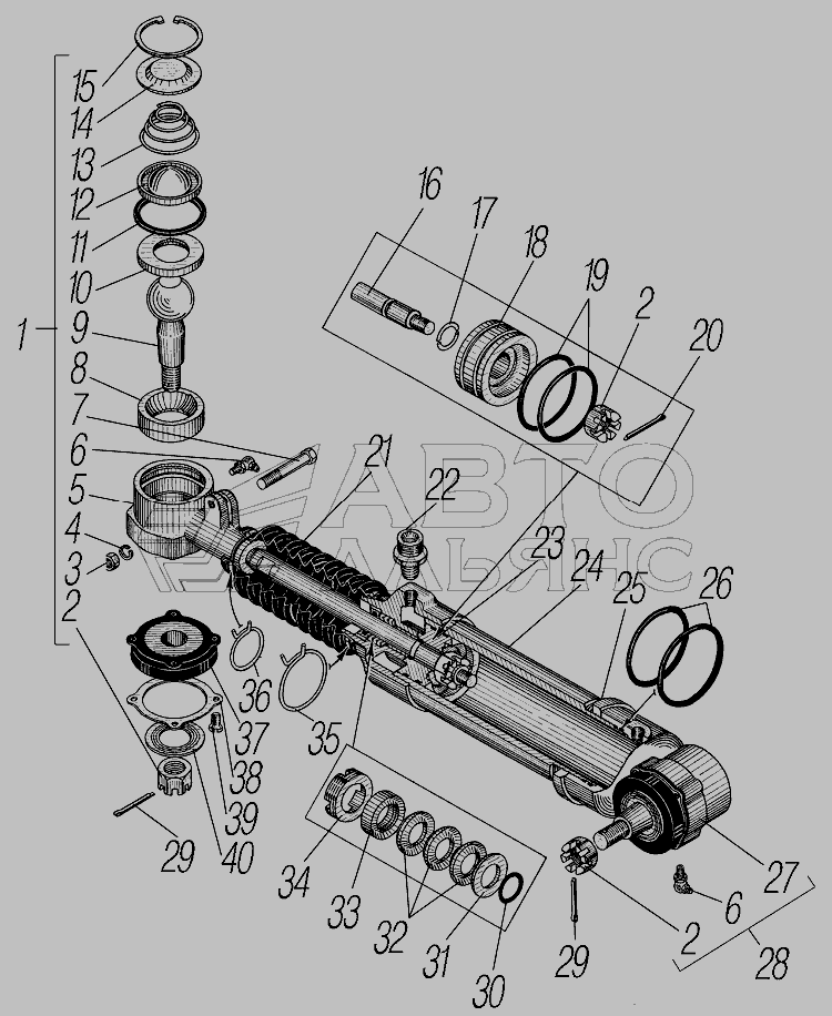
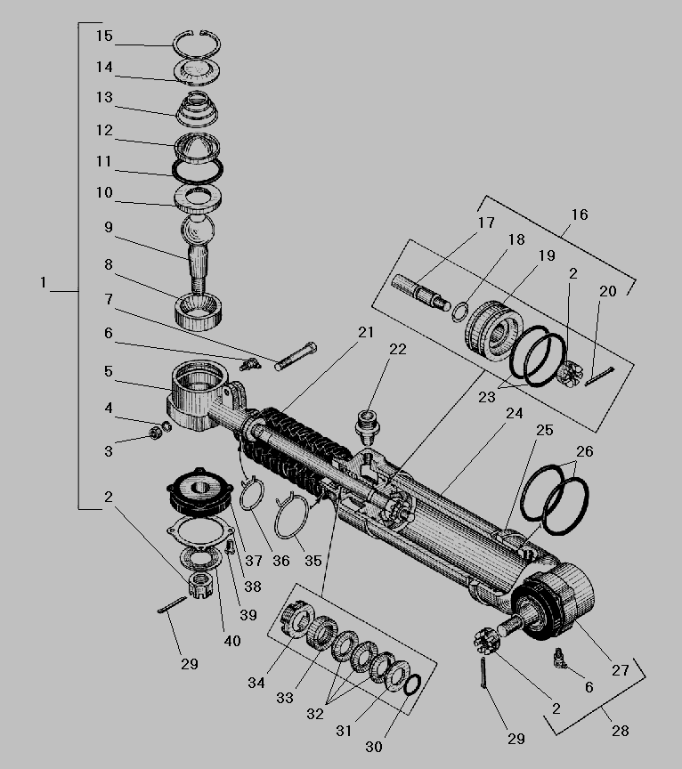
Рульове управління » Управління рульове
|
|
|
|
Підсилювальний механізм » Управління рульове
|
|
|
|
Підсилювальний механізм » Управління рульове
|
|
Показати ще схеми ↓
