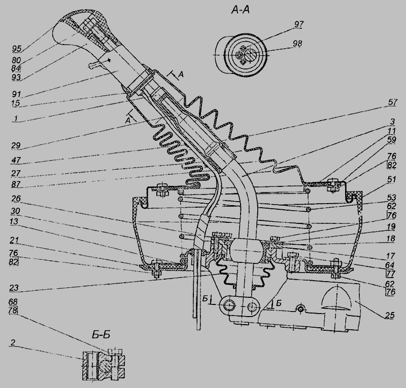
Втулка наконечника важеля перемикання передач КАМАЗ-Євро/фторопласт (в-во S.I.L.A. AC) S.I.L.A. 161.1703221

717 
 завтра
Виробник
S.I.L.A.
Каталоговий номер
161.1703221
Схеми
дивитися →
  • Доставка по Україні
    -  на відділення Нової Пошти або кур'єром до дверей
    - самовивіз у Дніпро
    докладніше →
  • Оплата при отриманні
    або іншим зручним способом, докладніше →
  • Гарантія
    обмін/повернення товару протягом 14 днів, докладніше →
Застосування
Товар підходить до марок/моделей авто:
- Вантажні авто: КамАЗ

Застосування за схемами
154.1703204 Опора важеля перемикання передач з важелем та краном управління » Зчеплення
  • 740.31-240 (Евро 2)
142.1703204 Опора важеля перемикання передач » Зчеплення
  • 740.30-260 (Евро 2)
Опора важеля перемикання » Зчеплення
  • КамАЗ-65226
Опора важеля перемикання передач » Зчеплення
  • КамАЗ-6522
161.1703204 Опора важеля перемикання передач » Зчеплення
  • КамАЗ-6520 (Euro-2, 3)
Опора важеля перемикання передач у зборі » Зчеплення
  • КамАЗ-6520
Опора важеля перемикання передач з важелем та краном управління » Зчеплення
  • КамАЗ-65116
Показати ще схеми ↓