Прилад буксирувальний в зборі КАМАЗ, МАЗ, КРАЗ, УРАЛ 4320 потужний (160х100мм) (в-во S.I.L.A. AC) S.I.L.A. 260-2707212
Товару немає в наявності.
- Виробник
- S.I.L.A.
- Каталоговий номер
- 260-2707212
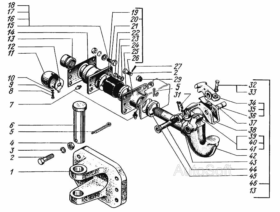
- Схеми
- дивитися →
Застосування
- Товар підходить до марок/моделей авто:
- - Вантажні авто: КамАЗ, КрАЗ, МАЗ
Застосування за схемами
|
Прилад буксирний КрАЗ-65101 » Пристрій сідельний
|
|
|
|
Прилади буксирні задні » Пристрій сідельний
|
|
|
|
Прилади буксирні задні » Пристрій сідельний
|
|
|
|
Прилади буксирні » Пристрій сідельний
|
|
|
|
Прилад буксирний » Пристрій сідельний
|
|
Каталог запчастин для автомобілів, до яких застосовується ця деталь
