Обмежувальний клапан в сб. підйому кузова (трясуха) КАМАЗ (S.I.L.A. AC) S.I.L.A. 5511-8614010
|
412 ₴
завтра
|
- Виробник
- S.I.L.A.
- Каталоговий номер
- 5511-8614010
- Схеми
- дивитися →
Застосування
- Товар підходить до марок/моделей авто:
- - Вантажні авто: КамАЗ
Аналоги "5511-8614010 S.I.L.A.":
Застосування за схемами
|
Агрегати самоскидної установки » Кузов
|
|
|
|
Агрегати самоскидної установки » Кузов
|
|
|
|
Агрегати самоскидної установки » Кузов
|
|
|
|
Пристрій перекидає платформи (55111, 65115) » Кузов
|
|
|
|
55102-8614005-10 Механізм обмеження підйому платформи » Платформа
|
|
|
|
Установка гідроциліндра 5511-8603001-10 » Приладдя
|
|
|
|
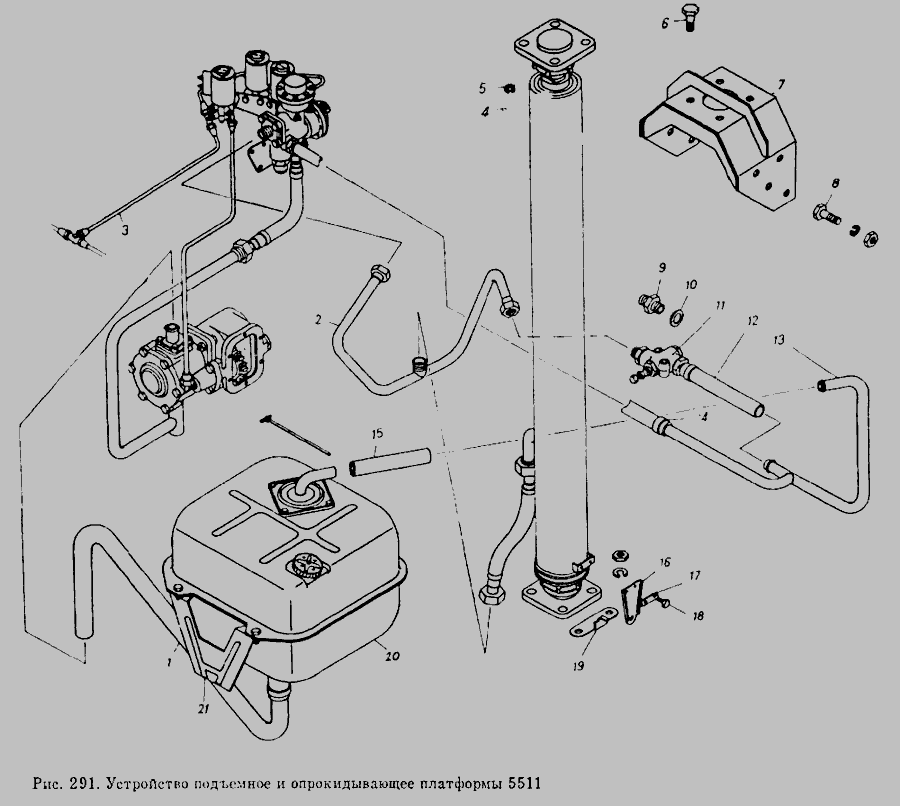
Пристрій підйомний і перекидальний платформи 5511 » Кузов
|
|
Каталог запчастин для автомобілів, до яких застосовується ця деталь