Амортизатор підвіски SACHS 350 520

3 709 
 сьогодні
Виробник
SACHS
Каталоговий номер
350 520
Схеми
дивитися →
  • Доставка по Україні
    -  на відділення Нової Пошти або кур'єром до дверей
    - самовивіз у Дніпро
    докладніше →
  • Оплата при отриманні
    або іншим зручним способом, докладніше →
  • Гарантія
    обмін/повернення товару протягом 14 днів, докладніше →
Застосування

Застосування за схемами
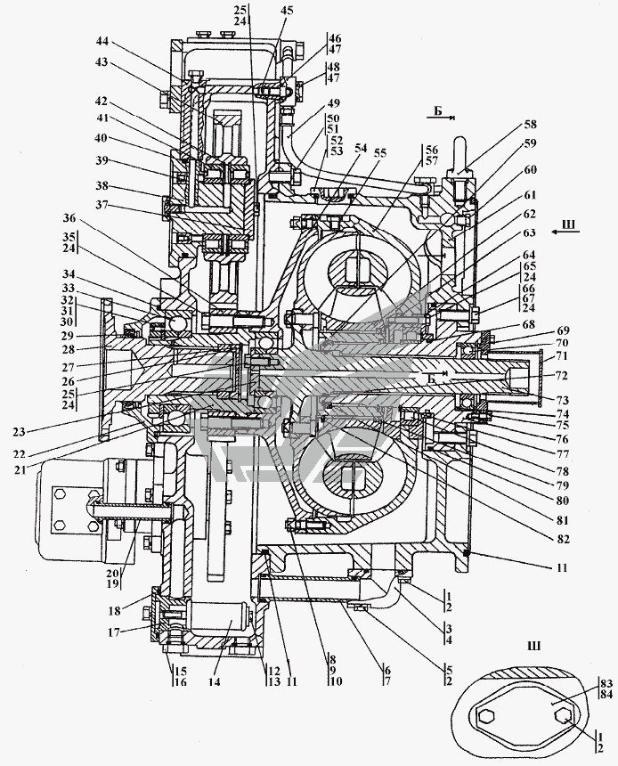
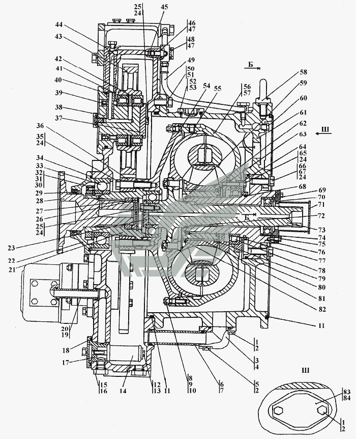
Гідротрансформатор із редуктором приводу насосів » Установка трансмісії
  • Шасси ТП-20.02
2001-14-1-01СП Гідротрансформатор з редуктором приводу насосів » Установка трансмісії
  • ТГ-301Я
2001-14-1-01СП Гідротрансформатор з редуктором приводу насосів » Установка трансмісії
  • ТГ-301К
2001-14-1-01СП Гідротрансформатор з редуктором приводу насосів » Установка трансмісії
  • ТГ-221Я
Гідротрансформатор із редуктором приводу насосів » Двигун
  • ТГ-221КМ
1101-12-15СП Передача головна » Установка трансмісії
  • ТГ-121Я
Передача головна » Трансмісія
  • Т-9.01Я
Показати ще схеми ↓