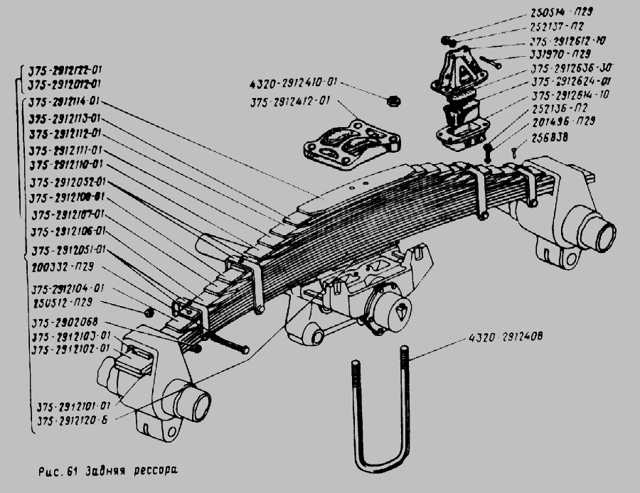
Лист ресори №1-3 задн. УРАЛ 375 1550мм (ЯРЗ) Ямпольский рессорный завод 375-2912101-01
|
2 542 ₴
сьогодні
|
- Виробник
- Ямпольский рессорный завод
- Каталоговий номер
- 375-2912101-01
- Схеми
- дивитися →
Застосування
- Товарна група:
- - Підвіска Ресора задня
Аналоги "375-2912101-01 Ямпольский рессорный завод":
Застосування за схемами
|
Задня ресора » Рама, бампери та бризковики двигуна
|
|
|
|
Підвіска задня » Рама, бампери та бризковики двигуна
|
|
|
|
Задня ресора » Рама, бампери та бризковики двигуна
|
|
