ТННД (Євро-1) ЯЗДА 332.1106010
|
2 328 ₴
завтра
|
- Виробник
- ЯЗДА
- Каталоговий номер
- 332.1106010
- Схеми
- дивитися →
КамАЗ-53205 двигуни: КамАЗ-7408, 740.11-240 EURO I Застосовність: КамАЗ "Євро", 11.Система живлення
Застосування
- Товарна група:
- - Система живлення Всі запчастини системи живлення
Аналоги "332.1106010 ЯЗДА":
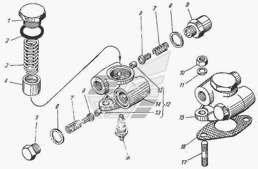
Застосування за схемами
|
ТНВД модель 327 Насос паливний низького тиску » ТНВД модель 323-10
|
|
|
|
3371.1111005-20.05 Насос паливний високого тиску » Двигун
|
|
|
|
337.1111005-20 Насос паливний високого тиску » Двигун
|
|
|
|
Паливний насос високого тиску » Двигун
|
|
|
|
Насос паливний високого тиску (ТНВД) » Двигун
|
|
|
|
Паливний насос високого тиску » Двигун
|
|
|
|
Паливний насос високого тиску » Двигун
|
|
Показати ще схеми ↓
