Шплинт пружинный навески ЮМЗ (выр-во Украина)) Агро-Днепр 15.62059
Применяемость
- Товар подходит к маркам/моделям авто:
- - Трактори: ЮМЗ
- Товарная группа:
- - Доп. оборудование (Навеска, ВОМ, КОМ) Навесное оборудование
Применяемость по схемам
|
Установка катков опорных ФДН-500.08.00.000 » Рама
|
|
|
|
Установка катков опорных » Общий вид ФД
|
|
|
|
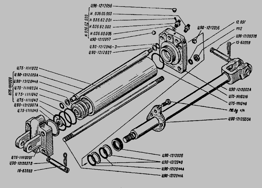
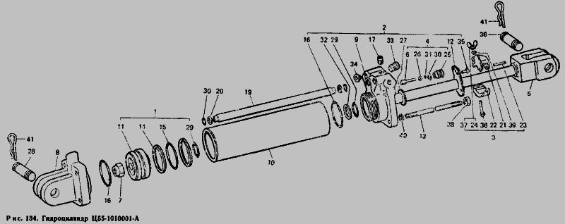
Выносной цилиндр » Устройство прицепное
|
|
|
|
Бульдозерное оборудование » Оборудование экскаваторное
|
|
|
|
ТО-49-40.18.00.000 Бульдозерное оборудование » Рабочее оборудование
|
|
|
|
Устройство прицепное » Рама
|
|
|
|
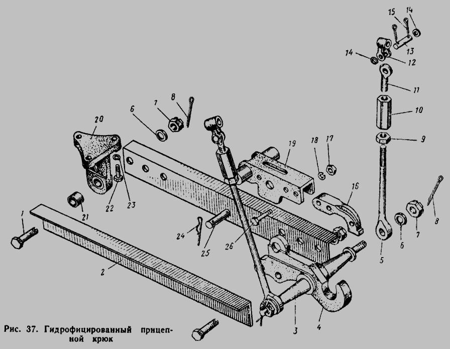
Гидрофицированный прицепной крюк » Рама
|
|
Показать еще схемы ↓
Каталог запчастей для автомобилей к которым применяется эта деталь
