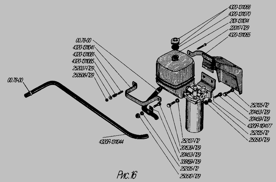
Бачок расширительный ВАЗ 2101 в сборе с крышкой Авто Союз 88 2101-1311014
|
278 ₴
сегодня
|
- Производитель
- Авто Союз 88
- Каталожный номер
- 2101-1311014
- Схемы
- смотреть →
Применяемость
- Товар подходит к маркам/моделям авто:
- - Легкові авто: ВАЗ
Аналоги "2101-1311014 Авто Союз 88":
Применяемость по схемам
|
Жалюзи и привод, бачок расширительный » Двигатель
|
|
|
|
Жалюзи радиатора и привод, бачок расширительный » Двигатель
|
|
|
|
Жалюзи и привод, бачек расширительный » Двигатель
|
|
|
|
Радиатор » Двигатель
|
|
|
|
Радиатор » Двигатель
|
|
|
|
Радиатор » Двигатель
|
|
|
|
Радиатор » Двигатель
|
|
Показать еще схемы ↓
Каталог запчастей для автомобилей к которым применяется эта деталь
