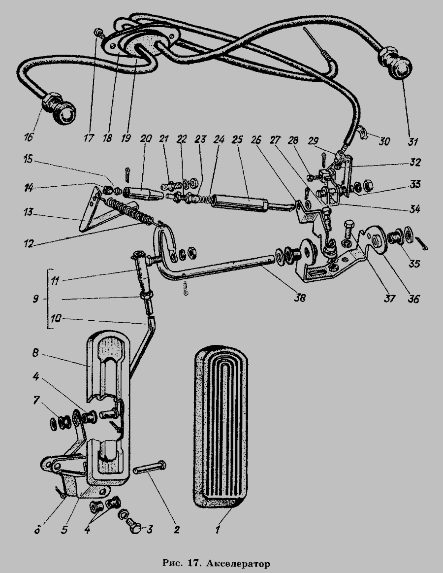
Наконечник шарнирной тяги педали газа ГАЗ 3307,53,66 Авто Союз 88 21-1712155

510 
 сегодня
Производитель
Авто Союз 88
Каталожный номер
21-1712155
Схемы
смотреть →
  • Доставка по Украине
    -  на отделение Новой Почты или курьером до двери
    - самовывоз в Днепр
    подробнее →
  • Оплата при получении
    или другим удобным способом, подробнее →
  • Гарантия
    обмен/возврат товара в течение 14 дней, подробнее →
Применяемость
Товар подходит к маркам/моделям авто:
- Вантажні авто: ГАЗ

Применяемость по схемам
Акселератор » Двигатель
  • ГАЗ-24
Привод управления дроссельной и воздушной заслонками карбюраторов » Двигатель
  • ГАЗ-21
Управление карбюратором (акселератор) » Двигатель
  • ГАЗ-71
Привод управления подачей топлива » Двигатель
  • ПАЗ-4230
Управление акселератором » Двигатель
  • ПАЗ-32053
Управление акселератором » Двигатель
  • ПАЗ-3205-110
Управление акселератором » Двигатель
  • ПАЗ-672М
Показать еще схемы ↓