Прокладка датчика уровня топлива ВОЛГА, ГАЗЕЛЬ,СОБОЛЬ, ГАЗОН (покупн. ГАЗ) БРТ 12-1104022
|
50 ₴
склад
|
- Производитель
- БРТ
- Каталожный номер
- 12-1104022
- Схемы
- смотреть →
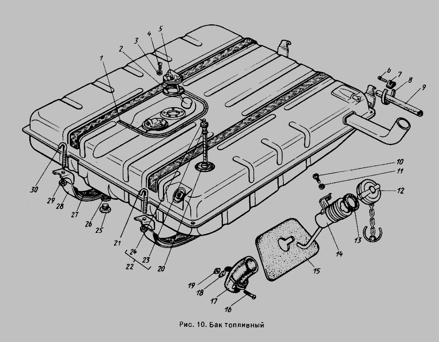
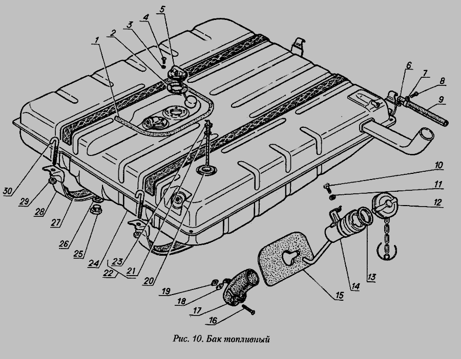
Автомобили <Газель> и <Соболь> с одним топливным баком 3302-1101010, 3302-1101010-10, 33023-1101010, 33023-1101010-10, 2217-1101010, 22171-1101010, 2705-1101010, 3221-1101010, 3307-1102008 Автомобили <Газель> с двумя топливными баками 3302-1101010, 33023-1101010
Применяемость: Газель, 11.Система питания
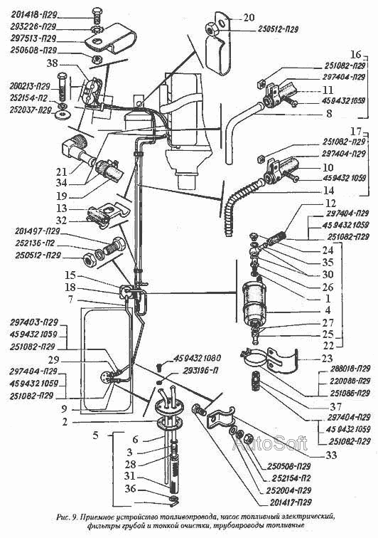
Прокладка датчика уровня топлива,бензозаборника Газель,Соболь,Волга,ГАЗ,Газон NEXT,Валдай,УАЗ,ПАЗ
Применяемость
- Товар подходит к маркам/моделям авто:
- - Вантажні авто: Газель
- - Легкові авто: Волга
- Товарная группа:
- - Приборы Датчики, указатели, комбинации приборов
- - Система питания Все запчасти системы питания
Вместе покупают:
255 ₴
склад
- Артикул:
- 3302-2815013
- ГАЗ
334 ₴
склад
- Артикул:
- 3302-2803051-03-ПС
- ГАЗ
Применяемость по схемам
Показать еще схемы ↓
Каталог запчастей для автомобилей к которым применяется эта деталь
