Гайка рулевых тяг Daewoo Lanos с нейлоновым кольцом ХарОптТорг М12
Товара нет в наличии.
- Производитель
-
ХарОптТорг
(Украина)
- Каталожный номер
- м12
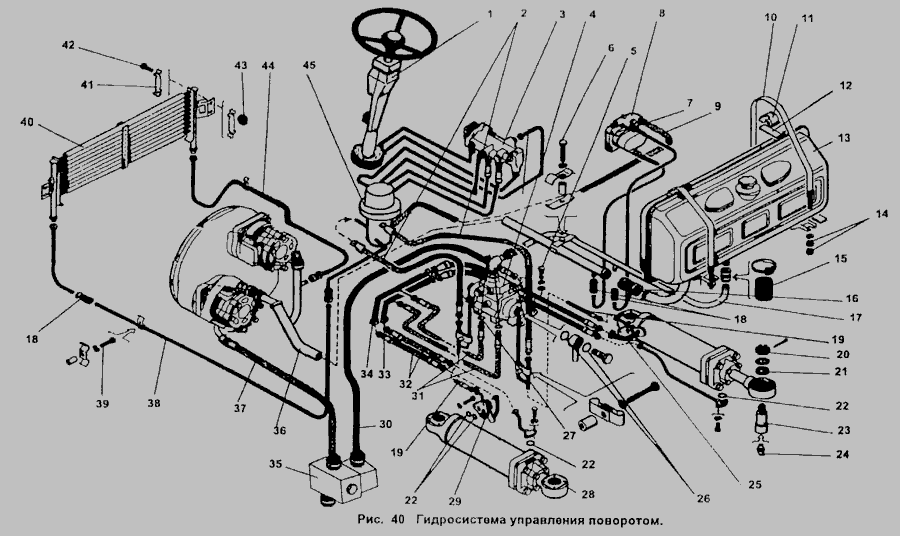
- Схемы
- смотреть →
Применяемость
- Товар подходит к маркам/моделям авто:
- - Легкові авто: DAEWOO
- Товарная группа:
- - Рулевое управление Тяги, наконечники
Применяемость по схемам
|
Вал отбора мощности » Устройство седельное
|
|
|
|
Механизм правого однорычажного управления КП (КП 74-1700010-05) » Сцепление
|
|
Каталог запчастей для автомобилей к которым применяется эта деталь