Подшипник 207А (6207) (ХАРП) сист охл. ЗИЛ, компрессор ЗИЛ, ГАЗ, КамАЗ, торм. сист. КрАЗ, УРАЛ Харп ГПЗ-8 207
|
127 ₴
склад
|
- Производитель
- Харп ГПЗ-8
- Каталожный номер
- 207
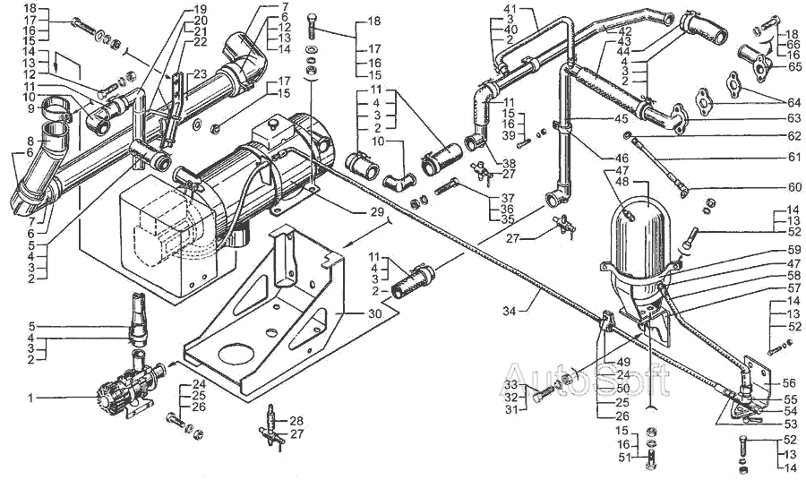
- Схемы
- смотреть →
6207 Подшипник шариковый радиальный однорядный размер 35х72х17
Применяемость: Подшипники, 87.Подшипники
Применяемость
- Товар подходит к маркам/моделям авто:
- - Вантажні авто: ЗІЛ, КамАЗ, КрАЗ
- Товарная группа:
- - Тормоза Компрессор
- - Стардартные изделия и инструмент Подшипники
Применяемость по схемам
Показать еще схемы ↓
Каталог запчастей для автомобилей к которым применяется эта деталь
