Вилка пер. 2,3-й пер. ЗИЛ ХЗК 130-1702028
|
242 ₴
сегодня
|
- Производитель
- ХЗК
- Каталожный номер
- 130-1702028
- Схемы
- смотреть →
Применяемость
- Товар подходит к маркам/моделям авто:
- - Вантажні авто: ЗІЛ
Применяемость по схемам
|
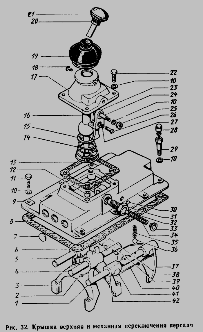
Крышка верхняя и механизм переключения передач » Сцепление
|
|
Каталог запчастей для автомобилей к которым применяется эта деталь
