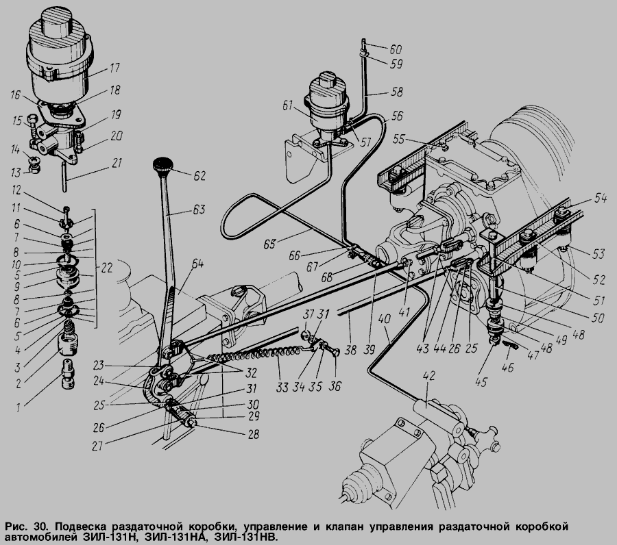
Кран тормозов. 2-секц ЗИЛ 130 ХЗК 131-3514010-Б

6 472 
 сегодня
Производитель
ХЗК
Каталожный номер
131-3514010-Б
Схемы
смотреть →
Без пильовика
  • Доставка по Украине
    -  на отделение Новой Почты или курьером до двери
    - самовывоз в Днепр
    подробнее →
  • Оплата при получении
    или другим удобным способом, подробнее →
  • Гарантия
    обмен/возврат товара в течение 14 дней, подробнее →
Применяемость
Товар подходит к маркам/моделям авто:
- Вантажні авто: ЗІЛ
Товарная группа:
- Тормоза Краны, клапаны, регуляторы, камеры
Аналоги "131-3514010-Б ХЗК":
0 отзывов
6 176  сегодня
Артикул:
131-3514010-Б
ДК
Купить Код: 476252-2