Пружина рычажная КПП ГАЗ 53 (куплен. ГАЗ) Красная этна 53А-1702122
|
95 ₴
склад
|
- Производитель
- Красная этна
- Каталожный номер
- 53А-1702122
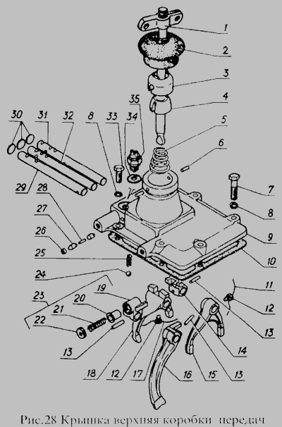
- Схемы
- смотреть →
Применяемость
- Товар подходит к маркам/моделям авто:
- - Вантажні авто: ГАЗ
Вместе покупают:
70 ₴
склад
- Артикул:
- 51-3104038-В2
- Рось-гума
1 647 ₴
склад
- Артикул:
- 66-1307010
- Rider
Применяемость по схемам
Показать еще схемы ↓
Каталог запчастей для автомобилей к которым применяется эта деталь
