Амортизатор подв. Renault Kangoo II передн. газов. Excel-G (выр-во Kayaba) KYB 339766
|
3 427 ₴
сегодня
|
- Производитель
- KYB
- Каталожный номер
- 339766
- Схемы
- смотреть →
Применяемость
- Товарная группа:
- - Подвеска Амортизаторы, пружины
Аналоги "339766 KYB":
1 897 ₴
завтра
- Артикул:
- HA30370
- Hort
-
Китай
Применяемость по схемам
|
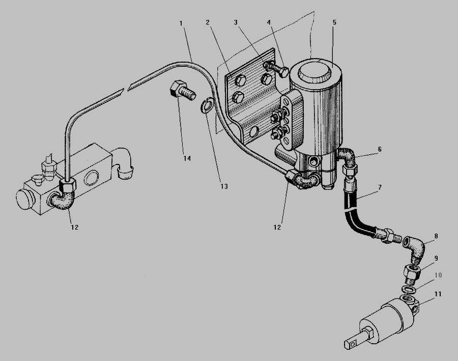
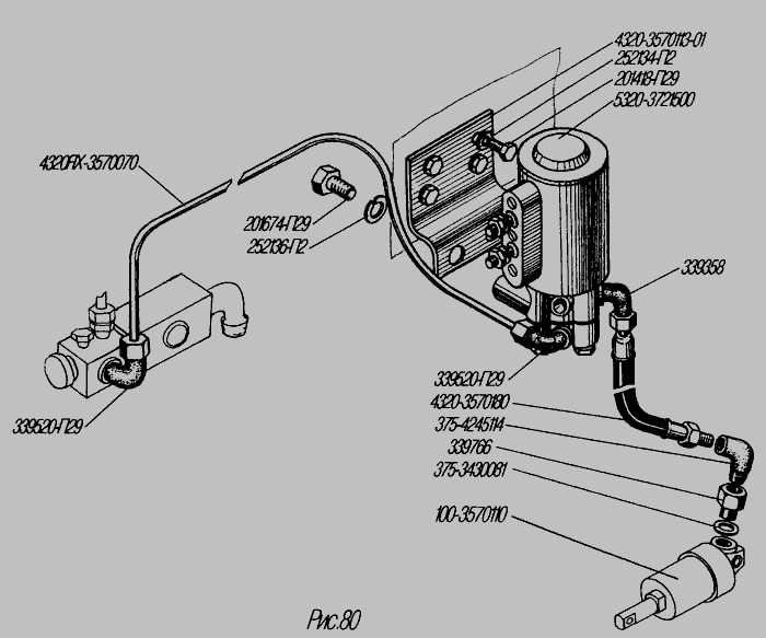
Установка клапана с трубками » Управление рулевое
|
|
|
|
Установка клапана с трубками » Управление рулевое
|
|
|
|
Установка вспомогательного тормоза » Рулевое управление
|
|
|
|
Установка клапана с трубками » Управление рулевое
|
|
|
|
Система вспомогательного тормоза » Управление рулевое
|
|
|
|
Установка клапана с трубками » Управление рулевое
|
|
|
|
Установка клапана с трубками » Управление рулевое
|
|
