Осушитель воздуха в сборе ПААЗ 11.3536008-10
- Производитель
- ПААЗ
- Каталожный номер
- 11.3536008-10
- Схемы
- смотреть →
Осушители воздуха 11.3536008, 11.3536008-10 производства ОАО"ПААЗ"
НазначениеОсушители сжатого воздуха 11.3536008, 11.3536008-10 предназначены для регулирования рабочего давления и осушения воздуха подаваемого компрессором с целью предотвращения возможности замерзания и отказа привода, а также снижения вероятности коррозии деталей аппаратов привода. Осушение воздуха осуществляется путем адсорбционного поглощения водяного пара с дальнейшей холодной регенерацией адсорбента картриджа обратным потоком воздуха из регенерационного объема, который выбирается согласно приведенных рекомендаций в зависимости от общего объема пневмосистемы.
Осушители воздуха имеют встроенный регулятор давления сжатого воздуха с предохранительным клапаном, нагревательный элемент для подогрева выпускного клапана, глушитель шума на выпускном клапане и сепаратор для предварительного отделения капельной влаги и масла, что увеличивает срок службы адсорбента картриджа.



УКАЗАНИЯ ПО ЭКСПЛУАТАЦИИ
1 Осушители предназначены для эксплуатации на транспортных средствах при температуре окружающей среды от минус 50°С до плюс 60°С. Перед установкой осушителя внутренние поверхности трубопровода от компрессора до осушителя должны быть очищены от грязи и продуктов коррозии и продуты сухим сжатым воздухом. Чтобы избежать скопления воды в подводящем трубопроводе данный трубопровод необходимо располагать с постоянным уклоном от компрессора к аппарату.
Осушители должны устанавливаться таким образом, чтобы не подвергаться дополнительному воздействию теплового излучения от двигателя и системы выхлопа, коробки передач, тормозных барабанов. Температура на входе в осушитель должна быть не более 60°С.
2 Пульсация давления на входе в аппарат, возникающая при работе компрессора, не должна превышать 0,15 МПа ( 1.5 кгс/см2).
Чтобы предохранить аппарат от вибрации компрессора (двигателя) нагнетательный трубопровод должен иметь гибкий, термостойкий участок.
Для обеспечения холодной регенерации картриджа, во время работы компрессора в режиме разгрузки в атмосферу, режим наполнения пневмосистемы компрессором (с учетом возможного расхода воздуха) не должен превышать 50 % от общего времени циклов наполнения и разгрузки.
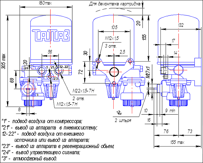
3 На транспортных средствах осушители должны устанавливаться атмосферным выводом 3 вниз, исключая попадание отводимого конденсата на электроприборы, электропровода и систему выхлопа. Над осушителем должно быть предусмотрено свободное пространство высотой не менее 20 мм для замены картриджа.
Демонтаж картриджа (вращением против часовой стрелки) необходимо производить при неработающем двигателе и отсоединенном от подвода 1 нагнетательным трубопроводом от компрессора. При монтаже картриджа необходимо смазать маслом уплотняющую прокладку и завернуть вручную с моментом (16?20) Н•м.
4 При монтаже осушителей на транспортных средствах уплотнение трубопроводной арматуры, подсоединяемой к резьбовым отверстиям осушителей, должно осуществляться при помощи резиновых уплотнительных элементов с моментом затяжки 50 Н•м, max. Применение уплотняющих композиций не допускается.
5 При соблюдении правил эксплуатации картридж осушителя обеспечивает качественную осушку воздуха в течение 2 лет. Замену картриджа предпочтительно производить при подготовке транспортных средств к эксплуатации в зимний период.
6 Техническое обслуживание осушителей требует замены картриджа через каждые 2 года или при появлении конденсата в ресиверах пневмосистемы. Допускается демонтаж крышки глушителя шума и очистка (промывка в моющем растворе) обеих набивок глушителя шума при их загрязнении маслом и пылью с последующей сборкой в обратном порядке.
|
Установка агрегатов пневматического привода рабочих тормозов » Рулевое управление
|
|
