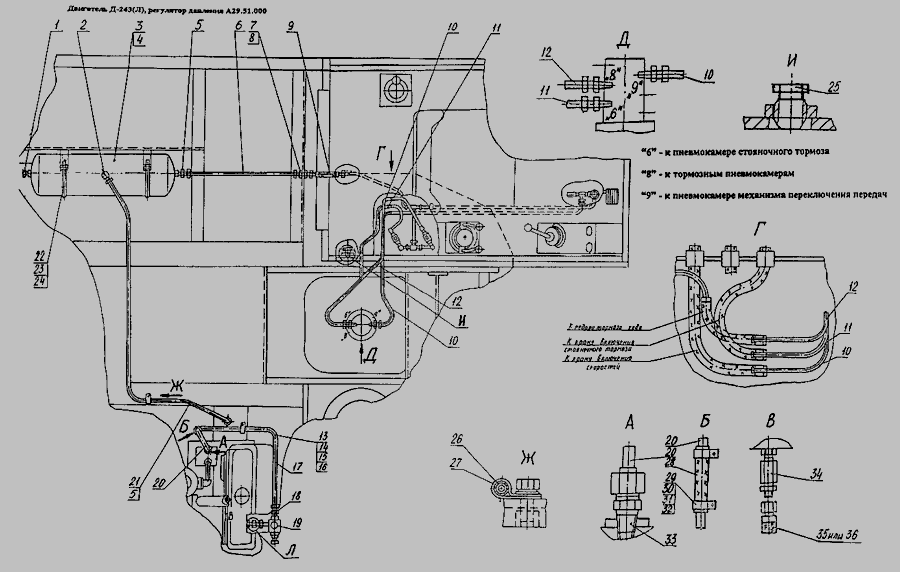
Регулятор давления МТЗ 80,82 80-3512010 Пневматик, г.Винница А29.51.000Б
|
1 465 ₴
склад
|
- Производитель
- Пневматик, г.Винница
- Каталожный номер
- А29.51.000Б
- Схемы
- смотреть →
Применяемость
- Товар подходит к маркам/моделям авто:
- - Трактори: МТЗ
Применяемость по схемам
|
Пневмоуправление на поворотной платформе (13.01.91.000) » Рулевое управление
|
|
|
|
6641.26.00.000 Пневмосистема » Общий вид
|
|
|
|
Пневмосистема 342Р.18.00.000 » Схема пневматическая
|
|
|
|
Пневмосистема 342Р.18.00.000 » Установка гидромеханической передачи
|
|
|
|
Система управления тормозами » Рулевое управление
|
|
|
|
Трубопроводы и арматура пневмопривода тормозов прицепа » Рулевое управление
|
|
|
|
Регулятор давления » Рулевое управление
|
|
Показать еще схемы ↓
Каталог запчастей для автомобилей к которым применяется эта деталь
