Кольцо ГОСТ 18829-73 (ГОСТ 9833-73)(Украина) Рось-гума 035-040-30-2-2
|
6 ₴
сегодня
|
- Производитель
- Рось-гума
- Каталожный номер
- 035-040-30-2-2
- Схемы
- смотреть →
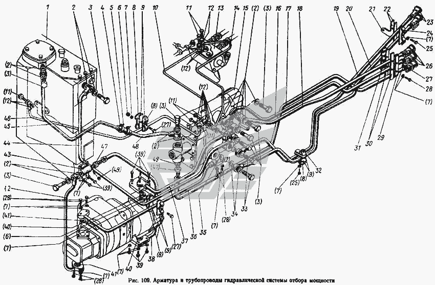
Применяемость: Трактора, 47.Гидронавесная система
Применяемость
- Товарная группа:
- - Гидравлика Гидронавесная система
Аналоги "035-040-30-2-2 Рось-гума":
4 ₴
сегодня
- Артикул:
- 035-040-30-2-2
- ДК
Применяемость по схемам
Показать еще схемы ↓
