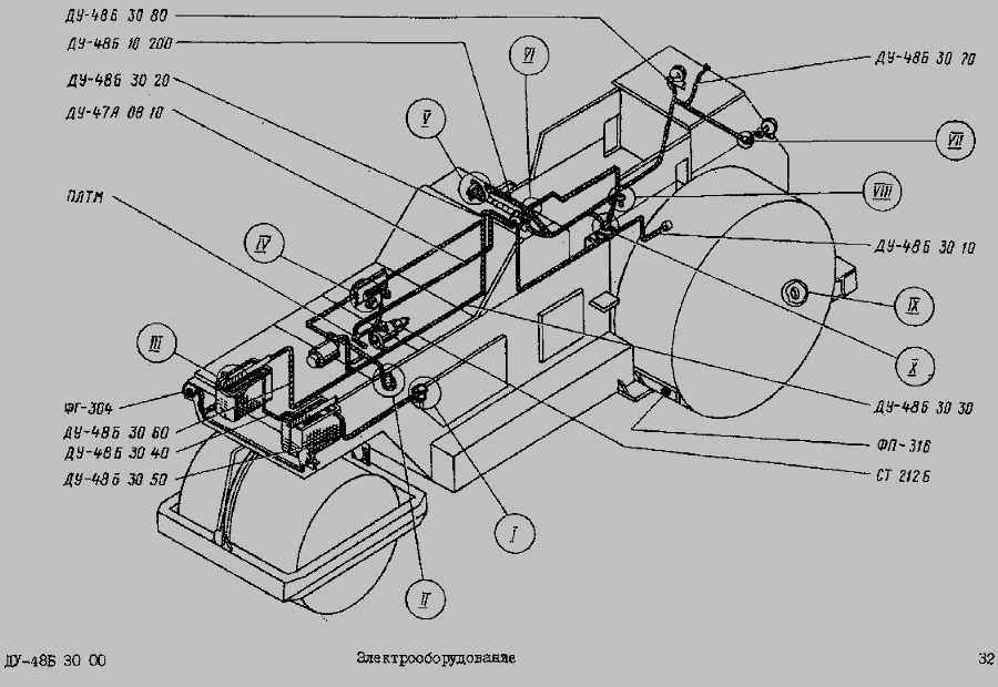
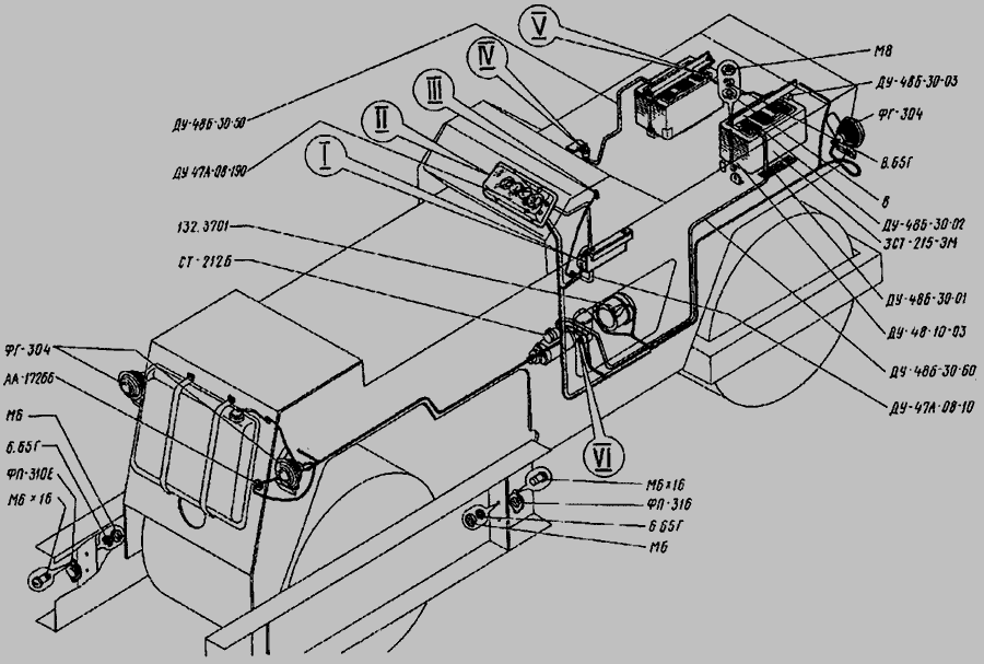
Световозвращатель круглый (катафот), белый, липучка, пластм. корпус, 63х9 (Руслан-Комплект) Руслан комплект ФП-316
Товара нет в наличии.
- Производитель
- Руслан комплект
- Каталожный номер
- ФП-316
- Схемы
- смотреть →
Крепление клейким двухторонним скотчем
Применяемость: СНГ Авто, 37.Электрооборудование
Применяемость
- Товарная группа:
- - Электрика Все запчасти электрооборудования
Применяемость по схемам
Показать еще схемы ↓
