Прокладка коллектора выпускного ЗИЛ средняя Сервис-Комплектация ООО 131-1008080
|
32 ₴
сегодня
|
- Производитель
- Сервис-Комплектация ООО
- Каталожный номер
- 131-1008080
- Схемы
- смотреть →
Применяемость
- Товар подходит к маркам/моделям авто:
- - Вантажні авто: ЗІЛ
Применяемость по схемам
|
Газопроводы » Двигатель
|
|
|
|
Головка блока цилиндров и выпускной газопровод » Двигатель
|
|
|
|
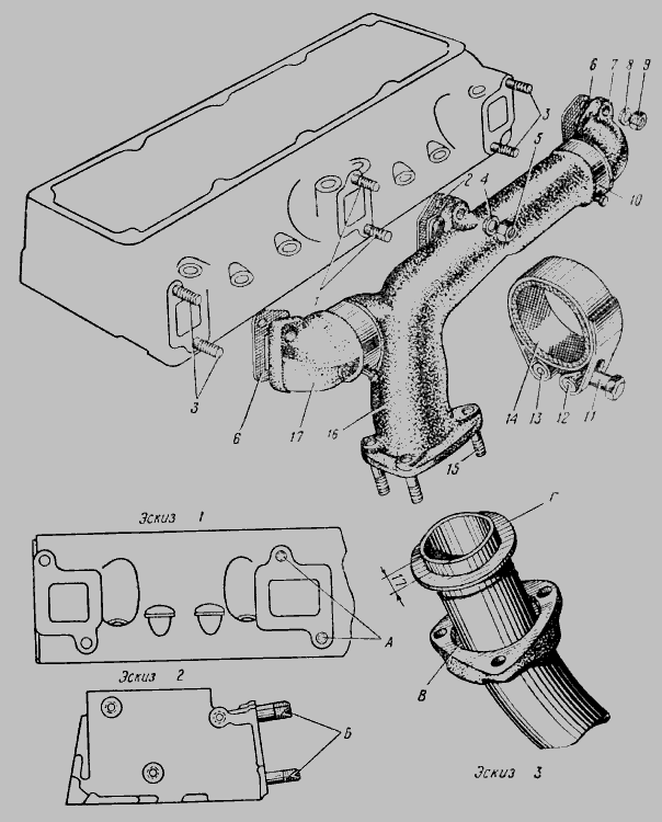
Выпускной газопровод (Рис. 13) » Двигатель
|
|
|
|
Головка блока цилиндров, выпускной газопровод » Двигатель
|
|
|
|
Выпускной газопровод » Двигатель
|
|
|
|
Выпускной газопровод » Двигатель
|
|
|
|
Выпускной газопровод » Двигатель
|
|
Показать еще схемы ↓
Каталог запчастей для автомобилей к которым применяется эта деталь
