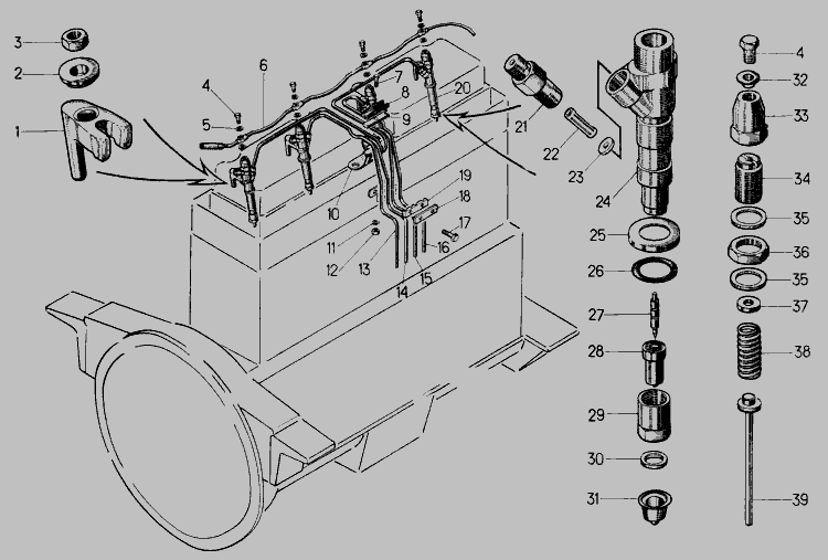
Форсунка Т-130,170 (двиг. Д-160,180) РЕСТАВРАЦИЯ заводская Ukraine 14-69-117-1СП
Товара нет в наличии.
- Производитель
-
Ukraine
(Украина)
- Каталожный номер
- 14-69-117-1СП
- Схемы
- смотреть →
Заводская реставрация - это востановленные детали в заводских условиях.
Применяемость: ХТЗ, 11.Система питания
Применяемость
- Товарная группа:
- - Система питания Форсунки, плунжерные пары, распылители
- - Система питания Все запчасти системы питания
Применяемость по схемам
|
Форсунки с трубками высокого давления » Двигатель
|
|
