Штуцер ЯМЗ 314678-П29
|
24 ₴
завтра
|
- Производитель
- ЯМЗ
- Каталожный номер
- 314678-П29
- Схемы
- смотреть →
Применяемость
- Товар подходит к маркам/моделям авто:
- - Вантажні авто: КрАЗ
Применяемость по схемам
|
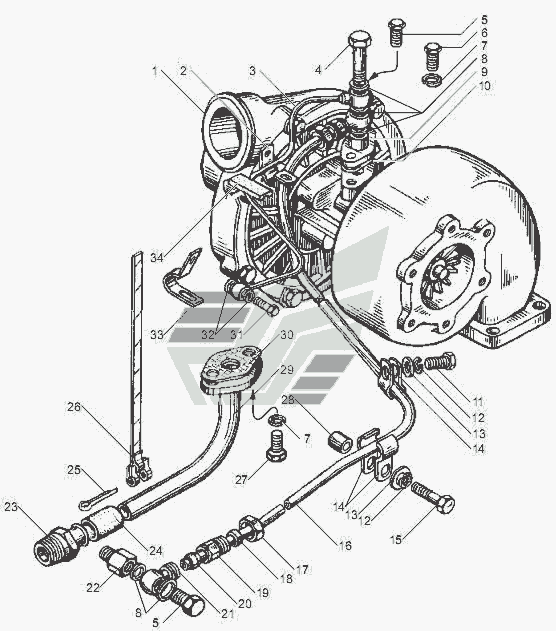
Трубки подвода и слива масла турбокомпрессора » Двигатель
|
|
|
|
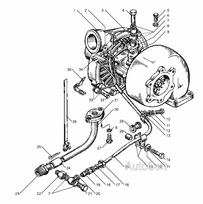
Трубки подвода и слива масла турбокомпрессора » Двигатель
|
|
|
|
Трубки подвода и слива масла » Двигатель
|
|
|
|
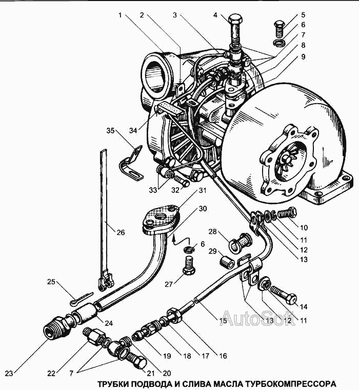
ТРУБКИ ПОДВОДА И СЛИВА МАСЛА ТУРБОКОМПРЕССОРА двигателей ЯМЗ-6562.10, ЯМЗ-6563.10 » Двигатель
|
|
|
|
Трубки подвода и слива масла турбокомпрессора » Двигатель
|
|
|
|
Трубки подвода и отвода масла турбокомпрессора » Двигатель
|
|
|
|
Трубки подвода и слива масла турбокомпрессора » Двигатель
|
|
Показать еще схемы ↓
Каталог запчастей для автомобилей к которым применяется эта деталь
